PTZ100

COMPACT PTZ CAMERA SYSTEM

The PTZ100 is a compact HD color camera equipped with integrated pan-and-tilt functionality and powerful lighting, making it ideal for overview inspections during outages reactor tank and spent fuel pool services. With its 10x optical and 32x digital zoom, the PTZ100 delivers clear, detailed imaging to support safe and efficient operations.

Prefer units:

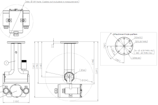
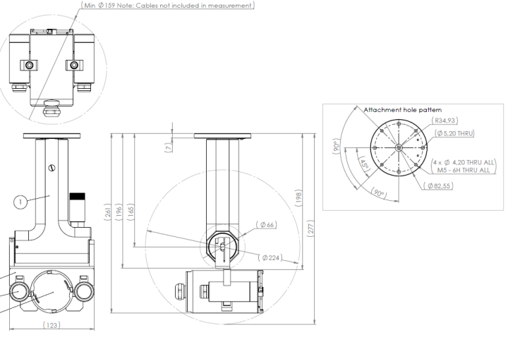
Technical specifications

  • Physical Characteristics

    Width
    Height
    Weight
    Housing material
    Stainless steel EN 1.4301/EN 1.4436, AISI 304/AISI 316
    Front glass material
    Polycarbonate
  • Optical Features

    Resolution SD
    700 TV-lines
    Zoom
    x10 optical zoom, x32 digital zoom
    SD horizontal angle of view
    ~5°-54°
  • Mechanical Features

    Pan Angle
    ±180°
    Tilt Angle
    ±90° (from the vertical plane)
  • Environmental Tolerances

    Radiation Tolerance (dose rate)
    50 Gy/h (5 000 rad/h)
    Radiation Tolerance (total dose)
    300 Gy (30 000 rad)
    Maximum Operating Temperature
    50°C (short-term up to 70°C) 122°F (short-term up to 158°F)
    Water Tightness
  • Lighting Features

    Type
    2 Ahl-Light 1
    Output
    1800 lumen

Areas of application

More information about PTZ100

Applications

  • Ideal for low-radiation inspections of reactor vessel components and internal reactor parts
  • For surveillance during outage service work

Benefits

  • Compact system
  • Extensiv zoom
  • Auto-focus and auto-iris
  • Remotely controlled LED intensity
  • Can be controlled by Ahlberg CCU100

Downloads