AHL-LIGHT 35
LED WORK LIGHT
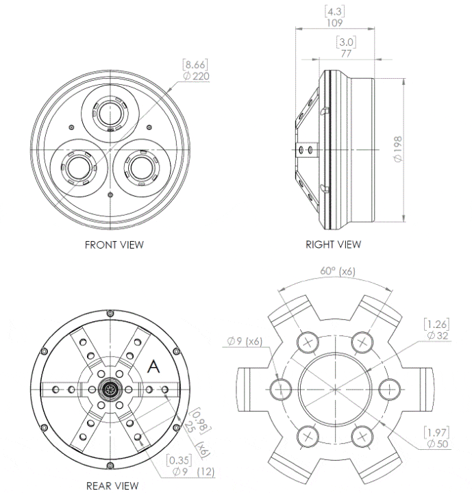
The AHL-LIGHT 35 is a robust underwater LED working light. It can be hung from its cable and used as a mobile light, or it can be fitted to a bracket and used as a permanent light.
Prefer units:
Technical specifications
-
Physical Characteristics
- Width
- 220 mm 8.7"
- Height
- 109 mm 4.3"
- Weight
- 4.5 kg 9.9 lbs
- Housing material
- Stainless steel EN 1.4301, AISI 304/AISI 316
- Front glass material
- Polycarbonate
-
Lighting Features
- Type
- 3 LED-Lights 100-240 VAC, 50/60 HZ, 240 W
- Typical luminous flux
- 43 500lm @5000K, 41 500lm @ 3000K
- Color rendering index
- 80
- Color temperature
- 3000K or 5000K
- Lighting angle
- 64°
- Life time
- >50 000 h
-
Environmental Tolerances
- Radiation tolerance (total dose)
- Maximum temperature
- 60°, 70°C for short periods 140°F, 158°F for short periods
- Water Tightness
- 3 bar 43.5 Psi
-
Cable Features
- Maximum cable length
- 250 m
Areas of application
More information about AHL-LIGHT 35
Applications
- Underwater nuclear working light
- Ideal for work in reactor and fuel pools
- Works together with a separate power supply unit
- The light is delivered with the same type of power supply unit as the AHL-LIGHT 70 which is placed either in air (on the railing or on the wall) or underwater
Benefits
- Low maintenance costs due to its long life-time
- 43 500 lumen light output
- Overheating protection during unintended use in air
- FME approved design – no loose parts can enter the pool water
- Power supply can be placed in air or underwater