CCTV71

SD/HD CCTV CAMERA

The CCTV71 is designed for use in low and medium-level radiation areas. It is typically placed in fuel buildings surveying fuel storage pools and in active cells. It is also used as a mobile camera during outage service and nuclear decommissioning work.

Prefer units:

Technical specifications

  • Physical Characteristics

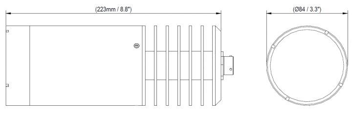
    Width
    Length
    Weight
    Housing material
    Stainless steel EN 1.4301
    Front glass material
    Polycarbonat
  • Optical Features

    Resolution SD
    720 TV-lines
    Resolution HD
    720p
    Zoom
    x100 (x10 optical, x10 digital)
    Horizontal Angle View SD
    37.5° (wide end), 4° (tele end)
    Horizontal Angle View HD
    50° (wide end), 5° (tele end)
  • Environmental Tolerances

    Radiation Tolerance (dose rate)
    500 Gy/h (50 000 rad/h)
    Radiation Tolerance (total dose)
    1 200 Gy (120 000 rad)
    Maximum Operating Temperature

Areas of application

More information about CCTV71

Applications

  • Designed for CCTV systems in low and medium-level radiation areas

Benefits

  • Auto-focus and auto-iris
  • Powerful optical zoom
  • Easy maintenance
  • Low light sensitivity
  • Both SD and HD version

Downloads